Hoe verbetert cyanideapparatuur de goudwinning en de veiligheid op locatie?

2026-01-08 - Laat een bericht achter

Als je ooit het gevoel hebt gehad dat cyanidatie ‘effectief, maar stressvol’ is, dan verbeeld je je dat niet. De chemie werkt, maar de dagelijkse realiteit kan rommelig zijn: variabele ertsen, te hoge uitgaven aan reagentia, koolstofverliezen, onverwachte stilstand en de constante druk om veilig en consistent te werken. Dit artikel legt uit watCyanide-apparatuurwat u eigenlijk moet doen, wat u moet vragen voordat u iets koopt en hoe u de duurste fouten kunt vermijden.


Abstract

ModernCyanide-apparatuuris niet zomaar een stel tanks; het is een verbonden systeem dat is ontworpen om de uitlogingsomstandigheden te beheersen, de terugwinning te stabiliseren, de verspilling van reagentia te verminderen en de omgang met cyanide voorspelbaar te houden. Kopers worstelen doorgaans met vier pijnpunten: inconsistent herstel, hoge bedrijfskosten, zwakke veiligheidscontroles en onderhoudsproblemen. Hieronder krijgt u een praktisch overzicht op de fabrieksvloer van cyanidemodules (uitloging, adsorptie, desorptie/elektrowinning, detox en instrumentatie), een selectiematrix, tips voor inbedrijfstelling en een sectie met veelgestelde vragen die u kunt gebruiken tijdens gesprekken met leveranciers.


Inhoudsopgave


Overzicht in één oogopslag

  • Vertaal “Ik heb cyanidatie nodig” naar een compleet, regelbaar apparatuurbereik.
  • Identificeer welke module uw verliezen veroorzaakt (herstel, reagens, koolstof of downtime).
  • Gebruik een eenvoudige matrix om oplossingen voor uw ertstype en beperkingen te vergelijken.
  • Loop leveranciersvergaderingen binnen met een checklist die zwakke ontwerpen snel blootlegt.

De echte pijnpunten voor kopers

Wanneer mensen winkelenCyanide-apparatuur, zeggen ze vaak: ‘Ik heb een hoger herstel nodig.’ Wat ze meestal bedoelen is: ‘Ik heb herstel nodig dat hoog blijft, zelfs als het erts verandert, de operators wisselen en de locatie afgelegen is.’ Dit zijn de pijnpunten die steeds weer opduiken:

  • Herstel schommelingenveroorzaakt door ertsvariabiliteit, maalproblemen, zuurstofbeperkingen of slechte pH-controle.
  • De kosten van reagentia stijgentegen een overdosis cyanide of kalk “voor de zekerheid.”
  • Koolstofproblemenzoals vervuiling, uitputtingsverlies of slechte adsorptiekinetiek.
  • Downtimedoor pomp-/klepstoringen, schurende slibslijtage of moeilijk toegankelijke lay-outs.
  • Veiligheidsstressrond cyanideopslag, dosering en paraatheid bij noodhulp.

Een goed apparatuurontwerp neemt niet alle complexiteit weg, maar zou wel het giswerk moeten wegnemen.


Wat houdt “cyanideapparatuur” in?

Cyaniding Equipment

Minimaal,Cyanide-apparatuurmoet worden opgevat als een systeem dat deze functies ondersteunt:

  • Uitloging: zorg voor tijd, menging en chemische controle voor het oplossen.
  • Goud gevangen: adsorptie aan actieve kool (CIP/CIL) of neerslagroutes.
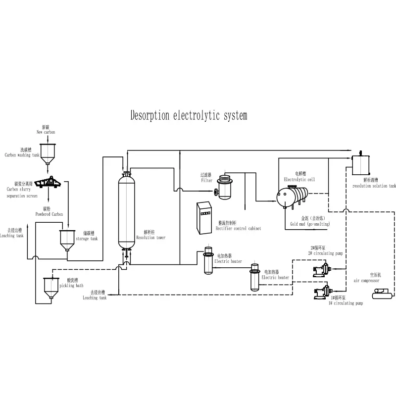
  • Goud herstel: desorptie en elektrowinning (of alternatieve terugwinningscircuits).
  • Behandeling van detox en residuen: resterend cyanide terugbrengen tot aanvaardbare niveaus.
  • Instrumentatie en controle: meten en stabiliseren van de pH, opgeloste zuurstof, flow en dosering.

Als een leverancier alleen maar over ‘tanks’ spreekt, dwing hem dan om de volledige stroom en de controlepunten te definiëren. Cyanidatie is vergevingsgezind onder laboratoriumomstandigheden; het is niet vergevingsgezind in chaotische veldomstandigheden.


Een duidelijke proceskaart van Ore tot Doré

Hoewel elke plant verschilt, volgen de meeste cyanidatieroutes een herkenbare ruggengraat. Gebruik deze kaart om te controleren of een voorgesteld pakket compleet is:

Fase Wat het moet bereiken Typisch ‘verborgen’ risico
Voorbehandeling (indien nodig) Maak goud toegankelijk en voorkom pieken in de cyanideconsumptie Negeer preg-roof, hoog kopergehalte of reactieve sulfiden
Uitloging Stabiel mengen, gecontroleerde pH en voldoende zuurstof Dode zones, slechte zuurstofoverdracht, onregelmatige pH door zwak kalksysteem
Adsorptie (CIL/CIP) Vang opgelost goud efficiënt op Verkeerde koolstofgrootte/overdrachtsmethode; koolstofverliezen
Elutie/desorptie Goud betrouwbaar van koolstof ontdoen Inconsistente verwarming/stroming leidt tot een lage stripefficiëntie
Elektrowinning/Smelten Herstel en produceer doré Te kleine cellen, slecht elektrolytenbeheer, problemen met de slibverwerking
Ontgiften Verminder resterende cyanide vóór lozing/residu Het ontwerp komt niet overeen met de variabiliteit van de doorvoer of de chemie van de residuen

Belangrijkste modules en wat u moet controleren

1) Uitloogtanks en roeren

  • Is het mengontwerp geschikt voor uw mestdichtheid en abrasiviteit?
  • Kan het systeem een ​​stabiele pH handhaven onder ertsvariabiliteit?
  • Is zuurstoftoevoeging praktisch op uw locatie (en wordt er bij het ontwerp rekening gehouden met zuurstofoverdracht)?
  • Maakt de lay-out een gemakkelijke inspectie van waaiers, voeringen en lagers mogelijk?

2) Koolstofadsorptie en -overdracht

  • Zijn tussenschermen robuust genoeg om koolstofoverdracht te voorkomen?
  • Is koolstofoverdracht ontworpen om breuk en verlies te verminderen?
  • Is het ontwerp vriendelijk voor reiniging en koolstofinventariscontrole?

3) Desorptie en elektrowinning

  • Komt het elutiecircuit overeen met uw verwachtingen inzake koolstofbelasting?
  • Zijn de verwarmings- en debietregelingen stabiel (niet “operatorafhankelijk”)?
  • Is de slibverwerking gepland en niet geïmproviseerd?

4) Cyanidedosering en -meting

  • Is de dosering geautomatiseerd met vergrendelingen, of puur handmatig?
  • Wat is het plan voor kalibratie en sensoronderhoud in een echte mijnomgeving?
  • Zijn bemonsteringspunten veilig en goed gepositioneerd, of een bijzaak?

5) Ontgiften

  • Is het detox-ontwerp gebaseerd op uw lozingsdoelen en de chemie van de residuen?
  • Kan het kortetermijnpieken opvangen zonder een shutdown te forceren?

Praktische tip:Een voorstel dat er op papier goedkoper uitziet, drijft vaak de kosten in de bedrijfsvoering op: extra cyanide, extra kalk, extra onderhoudsarbeid en meer ‘heldhaftig’ gedrag van de operators. De rekening komt later.


Basisprincipes van afmetingen en specificaties

U hoeft geen metallurg te zijn om maatvragen te stellen die uw budget beschermen. VoorCyanide-apparatuur, draait de kerngroottelogica om doorvoer, verblijftijd en massaoverdracht. Voordat u een definitief ontwerp accepteert, moet u ervoor zorgen dat deze invoer expliciet wordt vermeld:

  • Ontwerpdoorvoer(gemiddelde en piek, plus verwachte seizoensvariabiliteit).
  • Doelgrootte van de maalgraaden wat gebeurt er als de molen grover gaat draaien.
  • Verblijftijd van uitloogen of het gebaseerd is op tests of aannames.
  • pH- en alkaliteitsplan(inclusief kalkbereiding en doseerstabiliteit).
  • Zuurstof strategie(lucht, zuurstof of geen) en de verwachte impact op de kinetiek.
  • Koolstof inventaris(hoeveel koolstof, waar het zit en hoe het wordt gemonitord).

Als een leverancier deze niet in gewone taal kan uitleggen, behandel dit dan als een risicosignaal en niet als een technisch gegeven.


Veiligheid en cyanidecontrole die daadwerkelijk standhoudt

Veiligheid is geen poster aan de muur. Bij cyanidatie is het ingebouwd in het fysieke ontwerp en de routinematige controle. SterkCyanide-apparatuurpakketten omvatten doorgaans:

  • Ingeperkte opslag en overdrachtmet duidelijke lekpaden en indammingslogica.
  • Vergrendelde doseringcyanide kan dus niet worden toegevoegd als niet aan de belangrijkste voorwaarden wordt voldaan.
  • Duidelijk bemonsteringsontwerpdat het blootstellingsrisico tijdens routinecontroles vermindert.
  • Gereedheid voor noodsituatiesals onderdeel van de set operationele procedures, niet als een aanvullend document.

Vanuit het perspectief van een koper is uw taak eenvoudig: zorg ervoor dat het voorstel precies laat zien hoe mensen met het systeem omgaan. Waar staan ​​ze? Wat raken ze aan? Hoe isoleren ze apparatuur? Hoe reageren ze op een defecte pompafdichting om 02.00 uur?


Waar de bedrijfskosten echt vandaan komen

Als uw kosten per ounce stijgen, is dat meestal niet één dramatische mislukking; het zijn kleine lekken in het systeem die dit verergeren. Bij cyanidatie zijn de meest voorkomende kostenfactoren:

  • Cyanideverbruikveroorzaakt door reactieve mineralen, overdoseringsgewoonten of slechte controlecircuits.
  • Kalkconsumptiewanneer de pH-regeling onstabiel is of de slurrychemie niet goed wordt begrepen.
  • Koolstof verliesvia natuurlijk verloop, schermproblemen of een slecht overdrachtsontwerp.
  • Stroom en onderhoudvan overmatig roeren, onderontworpen slijtageonderdelen en moeilijk te onderhouden lay-outs.
Symptoom Waarschijnlijke oorzaak Apparatuurfunctie die helpt
Het herstel neemt af als erts verandert pH/DO-instabiliteit; slechte menging; onvoldoende verblijftijd Robuuste roering, betere controle-instrumenten, flexibele tankcapaciteit
De uitgaven voor cyanide blijven stijgen Overdosering; mineralen met een hoog cyanideverbruik; slechte meting Gecontroleerde dosering, betrouwbare monsternamepunten, slimmere vergrendelingen
De koolstofinventaris wordt “op mysterieuze wijze” kleiner Schermstoringen; overdrachtsverliezen; slijtage Duurzame tussenschermen, zacht overdrachtsontwerp, duidelijke koolstofboekhouding
Frequente afsluitingen Slijtonderdelen, pompafdichting, toegangsproblemen Slijtvaste materialen, toegang voor onderhoud, gestandaardiseerde reserveonderdelen

Betrouwbaarheid en onderhoudsontwerp

Cyaniding Equipment

Een cyanidatiecircuit kan er “compleet” uitzien en toch onbetrouwbaar zijn als het onderhoud niet is gepland. Vraag hoe de leverancier dit aanpakt:

  • Materiaalkeuzevoor schurende slurryzones en cyanide-contactzones.
  • Toegangtot schermen, waaiers, voeringen, pompen en instrumentatie.
  • Strategie voor reserveonderdelendie aansluit bij de realiteit van uw locatie (doorlooptijden, logistiek, bevoorrading).
  • Standaardisatieom het aantal unieke slijtageartikelen te verminderen.

Bij operaties op afstand kan ‘gemakkelijk te onderhouden’ meer waard zijn dan ‘iets efficiënter op papier’.


Vragen over leveranciers die u moet stellen

Gebruik deze checklist tijdens vergaderingen. Het is ontworpen om snel zwakke voorstellen naar voren te brengen, zonder dat het gesprek in een debat verandert.

  • Welke ertsrisico's worden weggenomen en voor welke wordt actief ontwikkeld?
  • Wat zijn de ontwerpinputs voor verblijftijd, pH-bereik en zuurstofstrategie?
  • Hoe wordt de cyanidedosering gecontroleerd en wat gebeurt er bij een sensorstoring?
  • Hoe wordt CO2-verlies voorkomen en gemeten bij routinematige werkzaamheden?
  • Wat is het onderhoudstoegangsplan voor zeven, roerwerken en pompen?
  • Wat zijn de aanbevolen operatorcontroles per dienst en hoe worden deze veilig gemaakt?
  • Welke ondersteuning bij de inbedrijfstelling is inbegrepen en welke training voor operators wordt gegeven?

Als u leveranciers evalueert, kan het helpen om met een fabrikant te praten die een volledig cyanidatiepakket kan leveren en de integratiedetails kan ondersteunen. Bijvoorbeeld, Qingdao EPIC Mining Machinery Co., Ltd.biedt oplossingen voor mijnbouwverwerkingsapparatuur waarbij cyanidatiepakketten worden beschouwd als systemen (uitloging, adsorptie, terugwinning en controle) in plaats van als een losgekoppelde reeks tanks.


Veelgestelde vragen

Wat maakt cyanideapparatuur ‘modern’ in plaats van eenvoudig?

Moderne ontwerpen zijn gericht op controleerbaarheid en herhaalbaarheid: stabiele dosering, betrouwbare metingen, veiligere bemonstering, robuuste slijtagebescherming en lay-outs die de improvisatie van de operator verminderen. Het doel is een consistent herstel met minder reagensverspilling en minder uitval.

Kan cyanideapparatuur economisch met laagwaardig erts omgaan?

Dat kan, maar alleen als het circuit is ontworpen rond uw kinetiek en verbruiksprofiel. Laagwaardige bewerkingen zijn doorgaans gevoelig voor te hoge reagensuitgaven en uitvaltijd, dus controlesystemen, slijtageontwerp en koolstofbeheer worden bijzonder belangrijk.

Hoe weet ik of ik CIP of CIL nodig heb?

De keuze hangt meestal af van de uitloogkinetiek en hoe snel opgelost goud moet worden opgevangen. Als goud snel oplost en u onmiddellijke vangst wilt, kan CIL aantrekkelijk zijn. Als uitloging baat heeft bij scheiding vóór adsorptie, past CIP mogelijk beter. Metallurgische tests en praktische beperkingen ter plaatse moeten de beslissing bepalen.

Waarom stijgt het cyanideverbruik soms plotseling?

Veel voorkomende oorzaken zijn veranderingen in ertsmineralen, slechte pH-regeling, onverwachte zuurstofbeperking of verontreiniging in het proceswater. Een goed controleplan plus betrouwbare bemonsteringspunten maken het gemakkelijker om deze pieken te diagnosticeren en snel te corrigeren.

Waar moet ik prioriteit aan geven als mijn locatie afgelegen is en er weinig personeel is?

Geef prioriteit aan onderhoudbaarheid en automatisering die handmatige handelingen vermindert: duurzame schermen, toegankelijke lay-out van de apparatuur, gestandaardiseerde reserveonderdelen, onderling verbonden dosering en duidelijke bedieningsroutines die niet afhankelijk zijn van ‘één deskundige operator’.


Afronding

KopenCyanide-apparatuurgaat uiteindelijk over het verminderen van de onzekerheid. De chemie is misschien bewezen, maar uw winstgevendheid hangt af van consistente controle, praktisch onderhoud en veiligheid die werkt tijdens echte diensten met echte mensen. Als u een nieuwe fabriek plant of een bestaand circuit upgradet, breng dan uw ertsrealiteit, doorvoerdoelstellingen en locatiebeperkingen ter tafel – en dring aan op een voorstel dat cyanidatie als een compleet, controleerbaar systeem behandelt.

Bent u er klaar voor om uw cyanidatieplan om te zetten in een betrouwbare, kostenstabiele operatie?Deel uw ertstype, doelcapaciteit en locatieomstandigheden, enneem contact met ons opom een ​​praktische apparatuurconfiguratie te bespreken die past bij uw fabriek en uw operators.

Stuur onderzoek

X
We gebruiken cookies om u een betere browse-ervaring te bieden, het siteverkeer te analyseren en de inhoud te personaliseren. Door deze site te gebruiken, gaat u akkoord met ons gebruik van cookies. Privacybeleid