English
Español
Português
русский
Français
日本語
Deutsch
tiếng Việt
Italiano
Nederlands
ภาษาไทย
Polski
한국어
Svenska
magyar
Malay
বাংলা ভাষার
Dansk
Suomi
हिन्दी
Pilipino
Türkçe
Gaeilge
العربية
Indonesia
Norsk
تمل
český
ελληνικά
український
Javanese
فارسی
தமிழ்
తెలుగు
नेपाली
Burmese
български
ລາວ
Latine
Қазақша
Euskal
Azərbaycan
Slovenský jazyk
Македонски
Lietuvos
Eesti Keel
Română
Slovenski
मराठी
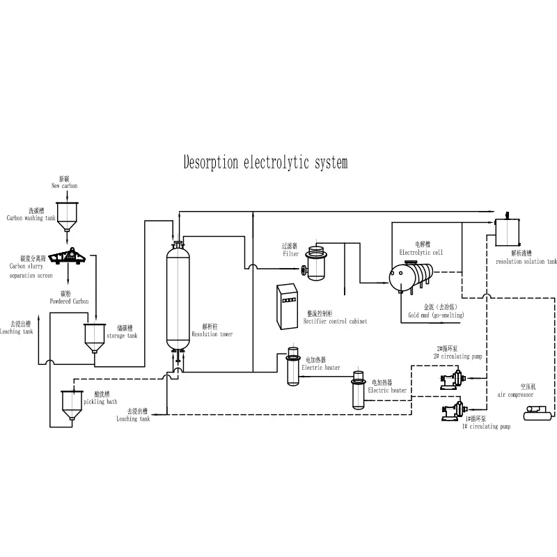
Srpski језик Het desorptie-elektrolytische systeem is een cruciale technologie bij de moderne goudwinning, met name bij processen van koolstof in pulp (CIP) en koolstof in uitloog (CIL). Deze blog onderzoekt hoe het systeem werkt, de componenten ervan, de voordelen en waarom het een standaard is geworden voor ef......
Lees verderDe ondergedompelde spiraalclassificator is een essentieel onderdeel bij de verwerking van mineralen en verbetert de scheiding en classificatie van deeltjes in verschillende industrieën. In dit artikel zullen we de functie, voordelen en toepassingen van ondergedompelde spiraalclassificatoren onderzoe......
Lees verderUitloog-agitatietanks zijn essentiële apparatuur in de mijnbouw, vooral voor het extraheren van waardevolle metalen uit ertsen door middel van uitlogingsprocessen. In deze blog zullen we het belang, het werkingsprincipe en de verschillende soorten uitloog-agitatietanks onderzoeken die in de mijnbouw......
Lees verderEen ondergedompelde spiraalclassificator is een cruciaal apparaat bij de verwerking van mineralen, ontworpen om deeltjes te scheiden op basis van grootte en dichtheid door zwaartekrachtsedimentatie en mechanische beweging. Deze machine wordt veel gebruikt in mijnbouw, zandwassing en industriële clas......
Lees verderDe Circular High Rate Inclined Plate Thickener (CHRIPT) is een essentieel apparaat dat wordt gebruikt in de mijnbouw en de mineraalverwerkende industrie. Dit verdikkingsmiddel staat bekend om zijn vermogen om vaste stoffen efficiënt van vloeistoffen te scheiden en is van cruciaal belang in industrie......
Lees verderDe cilindrische schuimflotatiecel zorgt voor een revolutie in de verwerking van mineralen met zijn geoptimaliseerde ontwerp, verbeterde terugwinningspercentages en energiezuinige prestaties. Deze uitgebreide gids onderzoekt hoe cilindrische flotatiecellen verschillen van traditionele modellen, hun w......
Lees verder