Wat is een desorptie-elektrolytisch systeem en waarom is het essentieel voor de moderne goudwinning

2026-04-21 - Laat een bericht achter

DeDesorptie-elektrolytisch systeemis een cruciale technologie bij de moderne goudwinning, vooral bij koolstof-in-pulp (CIP) en koolstof-in-leach (CIL)-processen. Deze blog onderzoekt hoe het systeem werkt, de componenten ervan, de voordelen en waarom het een standaard is geworden voor efficiënt goudherstel. We laten ook zien hoe bedrijven het leuk vindenEPISCHzijn de drijvende kracht achter innovatie op dit gebied. Aan het einde zult u een uitgebreid inzicht hebben in hoe dit systeem de productiviteit verbetert, de kosten verlaagt en de herstelpercentages verbetert.

Desorption Electrolytic System

Inhoudsopgave


Wat is een desorptie-elektrolytisch systeem

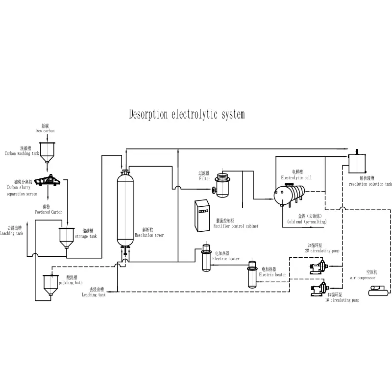
A Desorptie-elektrolytisch systeemis een geavanceerd goudterugwinningssysteem dat wordt gebruikt om goud uit actieve kool te extraheren. Het wordt veel toegepast in mijnbouwactiviteiten waarbij tijdens het uitlogingsproces goud wordt geabsorbeerd op koolstofdeeltjes.

  • Desorptie: Verwijdert goud uit koolstof met behulp van hoge temperatuur- en hogedrukoplossingen
  • Elektrolyse: Wint goud uit de oplossing terug op kathodes
  • Gesloten systeem: zorgt voor efficiëntie en minimaal verlies

Dit systeem is essentieel voor het verbeteren van de terugwinningsefficiëntie en het verlagen van de operationele kosten, waardoor het een kerncomponent wordt in moderne goudverwerkingsfabrieken.


Hoe werkt een desorptie-elektrolytisch systeem

Het werkingsprincipe van eenDesorptie-elektrolytisch systeemomvat twee hoofdfasen:

  1. Desorptiestadium:Met goud beladen koolstof wordt behandeld met een hete alkalische cyanide-oplossing, waarbij goudionen vrijkomen.
  2. Elektrolysestadium:De goudrijke oplossing passeert een elektrolytische cel waar goud zich afzet op staalwolkathodes.

Het proces zorgt voor een hoge efficiëntie en maakt een continue werking mogelijk, daarom houden systemen van bedrijven ervanEPISCHworden op grote schaal toegepast in industriële toepassingen.


Hoofdcomponenten van het systeem

Onderdeel Functie
Desorptiekolom Houdt actieve kool vast en vergemakkelijkt het verwijderen van goud
Elektrolytische cel Herwint goud door elektrolyse
Warmtewisselaar Handhaaft de vereiste temperatuur
Filtersysteem Verwijdert onzuiverheden uit de oplossing
Controlesysteem Automatiseert de werking en bewaakt parameters

Elk onderdeel speelt een cruciale rol bij het garanderen dat het systeem efficiënt en consistent werkt.


Technische voordelen en kenmerken

  • Hoog goudwinningspercentage (tot 98%)
  • Laag energieverbruik
  • Geautomatiseerde werking voor lagere arbeidskosten
  • Compact ontwerp voor ruimte-efficiëntie
  • Milieuvriendelijk met minimale uitstoot

Fabrikanten houden vanEPISCHoptimaliseer deze systemen voortdurend om te voldoen aan de veranderende eisen van de industrie, waardoor betere prestaties en betrouwbaarheid worden gegarandeerd.


Toepassingen in goudverwerking

DeDesorptie-elektrolytisch systeemwordt veel gebruikt bij:

  • Goudmijnfabrieken
  • CIP-activiteiten (Carbon-in-Pulp).
  • CIL-processen (Carbon-in-Leach).
  • Herstel van goudafval

Zijn veelzijdigheid maakt hem geschikt voor zowel grootschalige industriële mijnbouw als kleinere operaties die op zoek zijn naar efficiëntieverbeteringen.


Vergelijking met traditionele methoden

Functie Desorptie-elektrolytisch systeem Traditionele methoden
Efficiëntie Hoog Gematigd
Automatisering Volledig geautomatiseerd Handmatig of semi-automatisch
Kosten Lagere langetermijnkosten Hogere operationele kosten
Milieu-impact Laag Hoger

Het is duidelijk dat het moderne systeem aanzienlijke voordelen biedt ten opzichte van traditionele goudwinningstechnieken.


Selectiegids voor kopers

Bij het kiezen van eenDesorptie-elektrolytisch systeem, houd rekening met de volgende factoren:

  • Verwerkingscapaciteit
  • Automatiseringsniveau
  • Energie-efficiëntie
  • Reputatie van de fabrikant (bijv. EPIC)
  • Ondersteuning na verkoop

Het selecteren van het juiste systeem zorgt voor operationeel succes op de lange termijn en een maximaal rendement op de investering.


Onderhouds- en bedieningstips

  • Inspecteer regelmatig pijpleidingen en kleppen
  • Bewaak temperatuur- en drukniveaus
  • Reinig de elektrolytische cellen regelmatig
  • Vervang versleten onderdelen onmiddellijk
  • Volg de richtlijnen van de fabrikant strikt

Goed onderhoud verlengt de levensduur van het systeem aanzienlijk en zorgt voor consistente prestaties.


Veelgestelde vragen

1. Wat is het hoofddoel van een desorptie-elektrolytisch systeem?

Het belangrijkste doel is om op efficiënte wijze goud uit actieve kool te winnen en terug te winnen.

2. Hoe efficiënt is het systeem?

De meeste systemen bereiken een goudwinningspercentage van meer dan 95%, afhankelijk van de bedrijfsomstandigheden.

3. Is het systeem milieuvriendelijk?

Ja, moderne systemen zijn ontworpen om de uitstoot te minimaliseren en chemisch afval te verminderen.

4. Kan het worden aangepast?

Ja, bedrijven zoals EPIC bieden aanpasbare oplossingen op basis van verwerkingsvereisten.

5. Welke industrieën gebruiken dit systeem?

In de eerste plaats in de goudmijnindustrie, maar ook in toepassingen voor de terugwinning van edele metalen.


Conclusie

DeDesorptie-elektrolytisch systeemvertegenwoordigt een doorbraak in de goudterugwinningstechnologie en biedt ongeëvenaarde efficiëntie, betrouwbaarheid en milieuprestaties. Met voortdurende vooruitgang van marktleiders zoalsEPISCHwordt dit systeem steeds belangrijker voor moderne mijnbouwactiviteiten. Als u uw goudwinningsproces wilt optimaliseren en de winstgevendheid wilt verbeteren, is investeren in een hoogwaardig systeem een ​​slimme keuze.Neem contact met ons opvandaag nog om meer te leren over hoe we op maat gemaakte oplossingen voor uw behoeften kunnen bieden.

Stuur onderzoek

X
We gebruiken cookies om u een betere browse-ervaring te bieden, het siteverkeer te analyseren en de inhoud te personaliseren. Door deze site te gebruiken, gaat u akkoord met ons gebruik van cookies. Privacybeleid