Desorptie -elektrolytisch systeem
  • Desorptie -elektrolytisch systeem Desorptie -elektrolytisch systeem

Desorptie -elektrolytisch systeem

Als een van de professionele fabrikant wil EPIC u van hoge kwaliteit desorptie -elektrolytisch systeem bieden. En we bieden u de beste after-sale-service en tijdige levering.

Stuur onderzoek

Productomschrijving

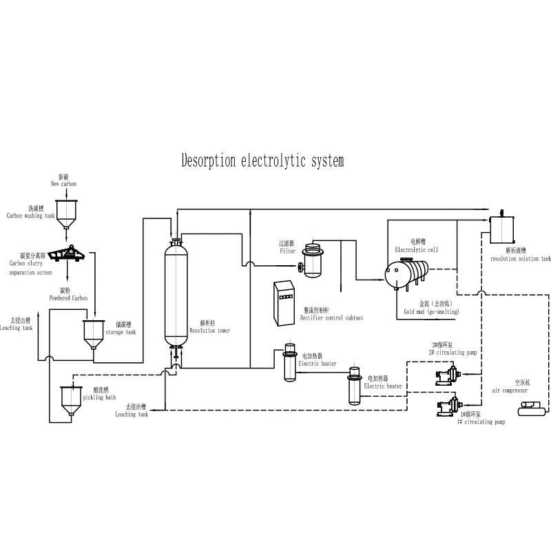
Epic is een bekwame fabrikant en wil u eersteklas desorptie-elektrolytisch systeem aanbieden. We beloven u de beste after-sale-ondersteuning en snelle levering te bieden. Door gemakkelijker toe te voegen door geactiveerd koolstofadsorptie desorptiesysteem van anion, dus de Au (CN) 2 "vervanging, realiseer je de desorptie van goud. De vloeistof verkregen door desorptie van goudbelaste koolstof wordt hersteld door ionisatie om vast goud te verkrijgen. Apparatuur karakteriatiosiosiosiosiosiosiosiosiosiosiosiosiosiosiosiosiatiosiaties

1, hoge temperatuur, hoge druk, geen cyanide, desorptie automatische regeling, met hoge elficiëntie, strikverbruik, snel

kenmerken: 

A. Hoge efficiëntie: wanneer de goudbelaste koolstofkwaliteit 3000 g/t bereikt, kan de desorptiepercentage meer dan 96%bereiken en kan de slechte koolstofkwaliteit met 3-4 keer worden vergeleken met de conventionele desorptie-elektrolytisch

apparaat:

B.Snel: de desorptie-elektrolysetemperatuur kan zo hoog zijn als 150 ℃ (30-55 ℃ hoger dan andere modellen) Systeemwerkdruk tot 0,5 mPa (0,2-0,5 mpa hoger dan andere modellen), dus de desorptie-elektrolysetijd is zeer snel, in het algemeen 12 uur, bijna 12 uur, bijna 12 uur. 

3 keer: C.low Consumptie: de desorptie-elektrolytische temperatuur is hetzelfde, geen warmteoverdracht, vanwege het snelle werk, dus het totale stroomverbruik is 1/2-1/4 van het conventionele systeem.

2. Geen cyanide: desorptieoplossing hoeft geen natriumcyanide, lage kosten, geen vervuiling toe te voegen:

3, hoogwaardige gouden modder, geen nodig om elektrolyse, gemakkelijke extractie om te keren;

4, Automatische regeling: stel speciaal het vloeistofniveau -regelsysteem, temperatuurregelsysteem en automatisch besturingssysteem in;

5, Veiligheid: met drievoudige veiligheidsbeschermingsmaatregelen, namelijk het systeem zelf intelligent, autoratische drukbeperkende drukafgifte mechanisme, verzekeringsveiligheidsklep.

Hottags: Desorptie -elektrolytisch systeem
Stuur onderzoek
Stel gerust uw vraag via onderstaand formulier. Wij zullen u binnen 24 uur antwoorden.
X
We gebruiken cookies om u een betere browse-ervaring te bieden, het siteverkeer te analyseren en de inhoud te personaliseren. Door deze site te gebruiken, gaat u akkoord met ons gebruik van cookies. Privacybeleid